
CR2450/VA3
型號:CR2450/VA3
品牌:
電壓(V):
容量(mAh):
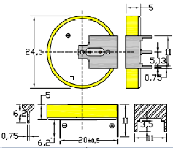
尺寸(mm):
材質:
適配產品:
工作溫度范圍:
產品介紹
焊片電鍍工藝說明
焊腳電池的PIN腳均為鍍鎳不銹鋼材料。不銹鋼本身是不能夠沾錫的,鍍鎳的作用就是為了用錫把電池PIN腳焊在線路板上。而由于鍍鎳是采用滾鍍的工藝,因為電池焊片在電鍍時會造成重疊,所以偶爾會造成一定比例的電池焊片無法完全被電鍍,也會造成焊片在電鍍的過程中出現彎折的現象。以下為此兩種工藝的對比。
| 鍍鎳焊片(PIN腳) | 局部鍍錫焊片(PIN腳) |
![]() | ![]() |
| 滾鍍鍍鎳 | 局部鍍錫 |
| 有一定比例焊片無法進行焊錫操作 | 可以確保所有的焊片100%易于焊接 |
焊接時間較長,需要嚴格的時間控制,不規范操作可能會造成電池傷害 | 焊接時間較短,極易進行焊接 |
有一定比例的焊片在滾鎳的過程中, 容易變形,彎折 | 焊片不用經過滾鍍,所以不會產生變形,彎折 |





